Главная » Участники » short_circuit » тестер кабельных линий местного розлива » схема.JPG
Уважаемые друзья и участники проекта iXBT.photo!
К сожалению, 1 марта 2026 года проект iXBT.photo прекратит свою работу и будет закрыт.
Мы высоко ценим ваше участие и тот вклад, который вы внесли в развитие нашего сообщества.
Пожалуйста, не забудьте сохранить ваши фотографии до этой даты.

С уважением, команда iXBT.com
схема.JPG

схема.JPG
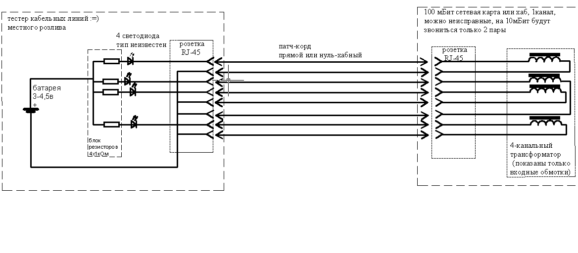
была сетевая карточка под УТП и БНС, под шину ИСА. Лежала, никого не трогала... И тут, на неё упал мой взляд: тааак, что у нас тут? Розетка РЖ-45? 4 светодиода???? Иди-ка сюда!!!! Получилось следующее: см. фото.
оригинальное фото
  • Просмотров: 1861
  • Рейтинг: голосов еще нет
  • Отзывов: 0

  • Получить код для блога
  • Послать ссылку другу

Комментарии к фотографии
К этой фотографии пока нет комментариев.

Участник: short_circuit
Альбомы участника
Тематики галереи

О проектеОбсуждение фотогалереиОбсуждение цифровой фотографии
Политика использования cookieПолитика защиты и обработки персональных данных
Copyright © iXBT.com, 2006-2025 • Разработка: MN