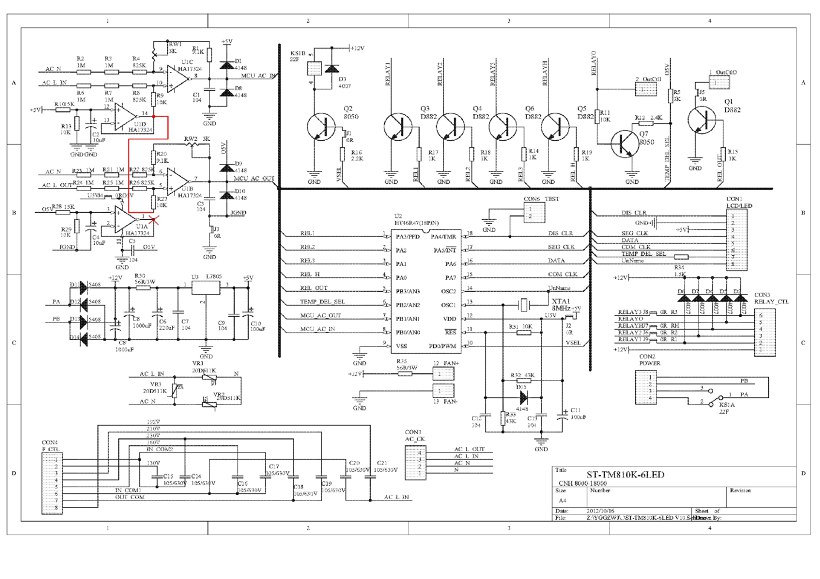
Главная » Участники » Andrey_23rus » 26. 4(6) реле. Ресанта LUX ACDR-10000Н/1-Ц LED. [ST-TM810K-6LED] NT122-60879. 223-15 » 05. Оригинальная схема ST-TM810K-6LED.
Уважаемые друзья и участники проекта iXBT.photo!
К сожалению, 1 марта 2026 года проект iXBT.photo прекратит свою работу и будет закрыт.
Мы высоко ценим ваше участие и тот вклад, который вы внесли в развитие нашего сообщества.
Пожалуйста, не забудьте сохранить ваши фотографии до этой даты.

С уважением, команда iXBT.com
05. Оригинальная схема ST-TM810K-6LED.

05. Оригинальная схема ST-TM810K-6LED.
Из интернета. SPL / JPG.
оригинальное фото
  • Просмотров: 651
  • Рейтинг: голосов еще нет
  • Отзывов: 0

  • Получить код для блога
  • Послать ссылку другу

Комментарии к фотографии
К этой фотографии пока нет комментариев.

Участник: Andrey_23rus
Альбомы участника
Тематики галереи

О проектеОбсуждение фотогалереиОбсуждение цифровой фотографии
Политика использования cookieПолитика защиты и обработки персональных данных
Copyright © iXBT.com, 2006-2025 • Разработка: MN