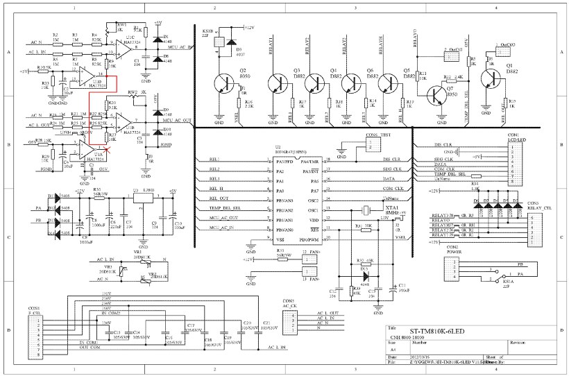
Главная » Участники » Andrey_23rus » 5. 5+1 реле. Ресанта СПН(CNH)-14000/1-Ц,СД. [ST-ТМ810K-6LED] NT125-53205. 300-17 » 06/1.СПН-14000. Оригинальная схема п/у ST-TM810K-6LED.
Уважаемые друзья и участники проекта iXBT.photo!
К сожалению, 1 марта 2026 года проект iXBT.photo прекратит свою работу и будет закрыт.
Мы высоко ценим ваше участие и тот вклад, который вы внесли в развитие нашего сообщества.
Пожалуйста, не забудьте сохранить ваши фотографии до этой даты.

С уважением, команда iXBT.com
06/1.СПН-14000. Оригинальная схема п/у ST-TM810K-6LED.

06/1.СПН-14000. Оригинальная схема п/у ST-TM810K-6LED.
Схема из интернета. LUX АСН-8000,10000,СПН-14000. jpg
оригинальное фото
  • Просмотров: 2895
  • Рейтинг: голосов еще нет
  • Отзывов: 0

  • Получить код для блога
  • Послать ссылку другу

Комментарии к фотографии
К этой фотографии пока нет комментариев.

Участник: Andrey_23rus
Альбомы участника
Тематики галереи

О проектеОбсуждение фотогалереиОбсуждение цифровой фотографии
Политика использования cookieПолитика защиты и обработки персональных данных
Copyright © iXBT.com, 2006-2025 • Разработка: MN