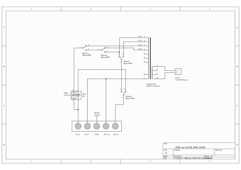
Главная » Участники » Andrey_23rus » 73. 4 реле. Ресанта LUX АСН(ACDR)-12000Н/1 ЖК. [ST-DDIS-820K-REL5A] NT258-... 333-19 » 04/2. Ресанта LUX АСН-12000Н/1-Ц ЖК. Автотрансформатор и реле.
Уважаемые друзья и участники проекта iXBT.photo!
К сожалению, 1 марта 2026 года проект iXBT.photo прекратит свою работу и будет закрыт.
Мы высоко ценим ваше участие и тот вклад, который вы внесли в развитие нашего сообщества.
Пожалуйста, не забудьте сохранить ваши фотографии до этой даты.

С уважением, команда iXBT.com
04/2. Ресанта LUX АСН-12000Н/1-Ц ЖК. Автотрансформатор и реле.

04/2. Ресанта LUX АСН-12000Н/1-Ц ЖК. Автотрансформатор и реле.
SDR and ACDR 3000-12000_page-0001.jpg
оригинальное фото
  • Просмотров: 281
  • Рейтинг: голосов еще нет
  • Отзывов: 0

  • Получить код для блога
  • Послать ссылку другу

Комментарии к фотографии
К этой фотографии пока нет комментариев.

Участник: Andrey_23rus
Альбомы участника
Тематики галереи

О проектеОбсуждение фотогалереиОбсуждение цифровой фотографии
Политика использования cookieПолитика защиты и обработки персональных данных
Copyright © iXBT.com, 2006-2025 • Разработка: MN