Главная » Участники » Andrey_23rus » 59. 4 реле. Ресанта АСН-3000/1-Ц СД. [ST-TM25K-3LED] NT122-... 228-15 » 09/1.Ресанта АСН(SDR)-3000/1-Ц. Плата ST-DIS-3LED-TZM.
Уважаемые друзья и участники проекта iXBT.photo!
К сожалению, 1 марта 2026 года проект iXBT.photo прекратит свою работу и будет закрыт.
Мы высоко ценим ваше участие и тот вклад, который вы внесли в развитие нашего сообщества.
Пожалуйста, не забудьте сохранить ваши фотографии до этой даты.

С уважением, команда iXBT.com
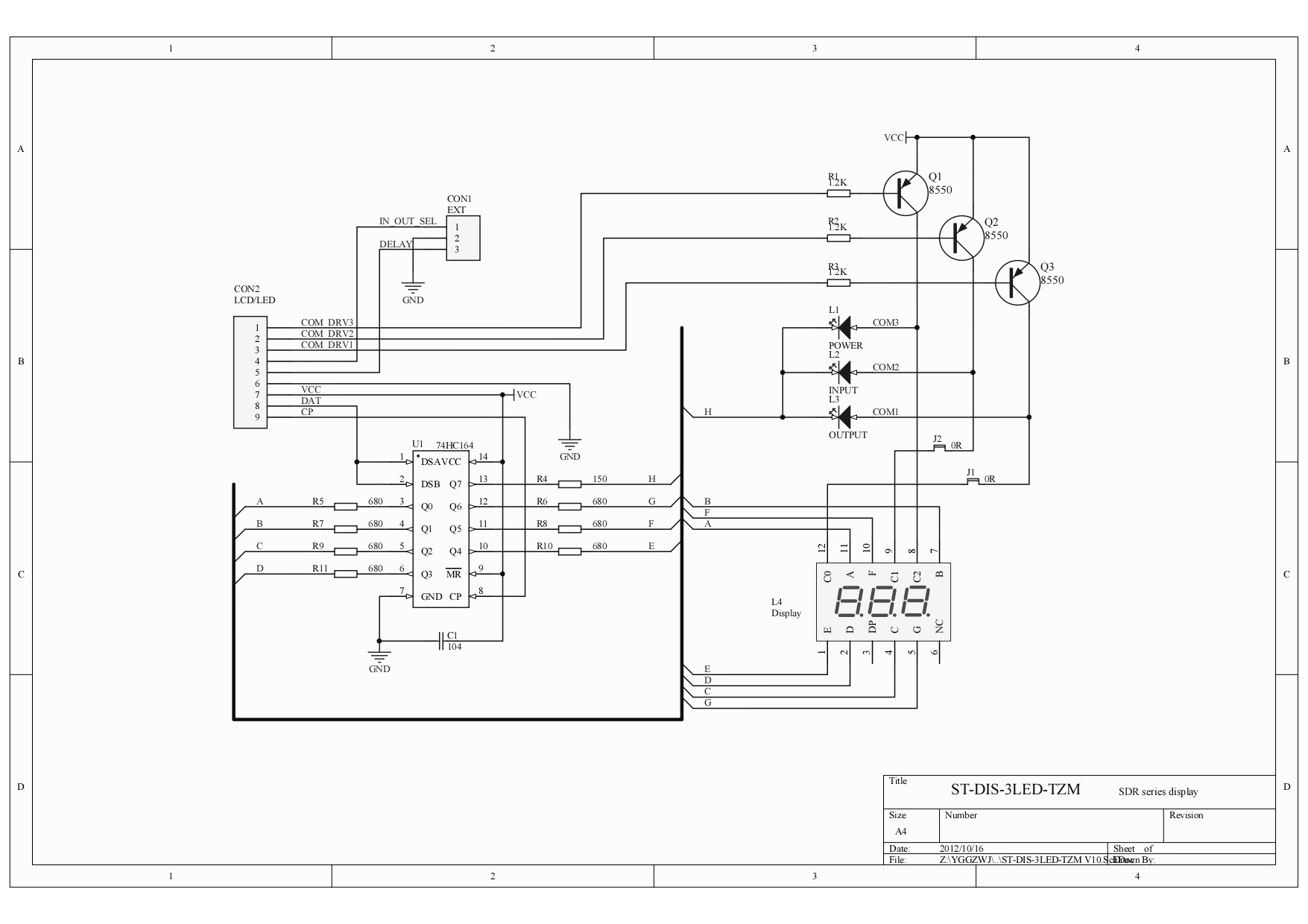
09/1.Ресанта АСН(SDR)-3000/1-Ц. Плата ST-DIS-3LED-TZM.

09/1.Ресанта АСН(SDR)-3000/1-Ц. Плата ST-DIS-3LED-TZM.
SDR series display_page-0001.jpg
оригинальное фото
  • Просмотров: 295
  • Рейтинг: голосов еще нет
  • Отзывов: 0

  • Получить код для блога
  • Послать ссылку другу

Комментарии к фотографии
К этой фотографии пока нет комментариев.

Участник: Andrey_23rus
Альбомы участника
Тематики галереи

О проектеОбсуждение фотогалереиОбсуждение цифровой фотографии
Политика использования cookieПолитика защиты и обработки персональных данных
Copyright © iXBT.com, 2006-2025 • Разработка: MN