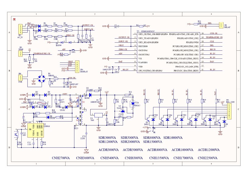
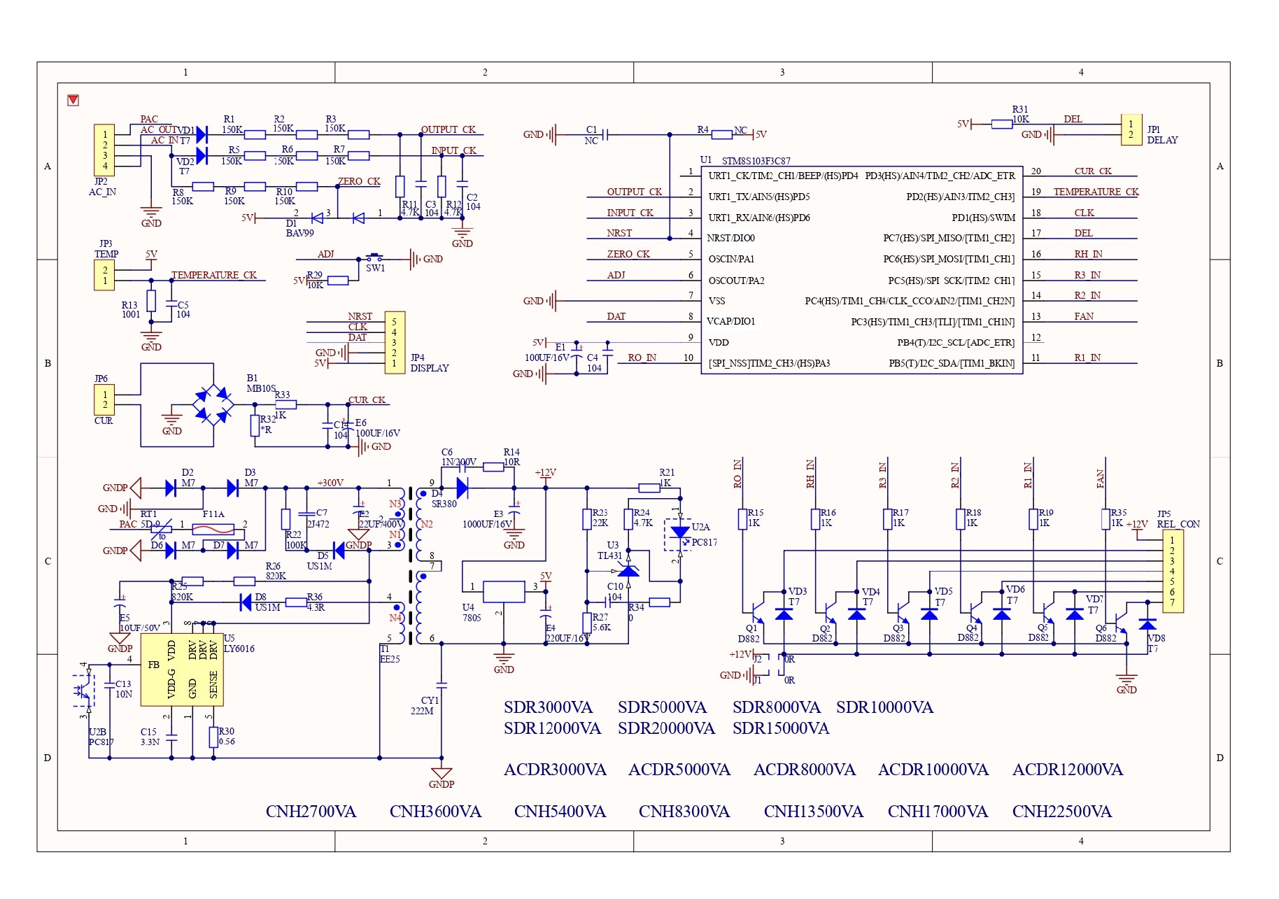
Главная » Участники » Andrey_23rus » 131. 4 реле. Ресанта SDR-15000/1-Ц LCD SMD. [XMT_REL5_320_M1]. XNT4RCC-20211227 NT133-SDR15K. 393-23 » 12. Ресанта SDR-15000. Cхема оригинал.
Уважаемые друзья и участники проекта iXBT.photo!
К сожалению, 1 марта 2026 года проект iXBT.photo прекратит свою работу и будет закрыт.
Мы высоко ценим ваше участие и тот вклад, который вы внесли в развитие нашего сообщества.
Пожалуйста, не забудьте сохранить ваши фотографии до этой даты.

С уважением, команда iXBT.com
12. Ресанта SDR-15000. Cхема оригинал.

12. Ресанта SDR-15000. Cхема оригинал.
JPG.
оригинальное фото

  • Получить код для блога
  • Послать ссылку другу

Комментарии к фотографии
К этой фотографии пока нет комментариев.

Участник: Andrey_23rus
Альбомы участника
Тематики галереи

О проектеОбсуждение фотогалереиОбсуждение цифровой фотографии
Политика использования cookieПолитика защиты и обработки персональных данных
Copyright © iXBT.com, 2006-2025 • Разработка: MN