Главная » Участники » Роман Торопов » Домашний АСУ 2.0 » Схема щитка АСУ
Уважаемые друзья и участники проекта iXBT.photo!
К сожалению, 1 марта 2026 года проект iXBT.photo прекратит свою работу и будет закрыт.
Мы высоко ценим ваше участие и тот вклад, который вы внесли в развитие нашего сообщества.
Пожалуйста, не забудьте сохранить ваши фотографии до этой даты.

С уважением, команда iXBT.com
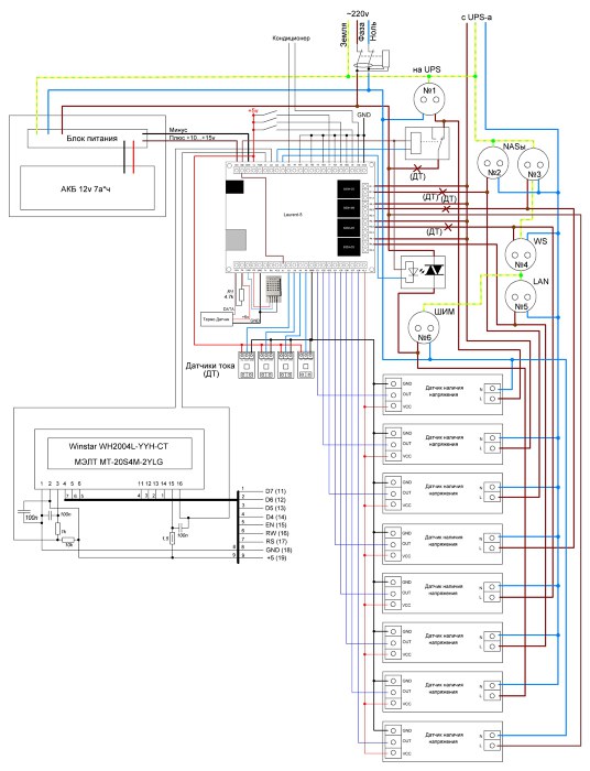
Схема щитка АСУ

Схема щитка АСУ
оригинальное фото
  • Просмотров: 41
  • Рейтинг: голосов еще нет
  • Отзывов: отключены

  • Получить код для блога
  • Послать ссылку другу

Комментарии к фотографии
Автор не разрешил оставлять комментарии к этому альбому.

Участник: Роман Торопов
Альбомы участника
Тематики галереи

О проектеОбсуждение фотогалереиОбсуждение цифровой фотографии
Политика использования cookieПолитика защиты и обработки персональных данных
Copyright © iXBT.com, 2006-2025 • Разработка: MN