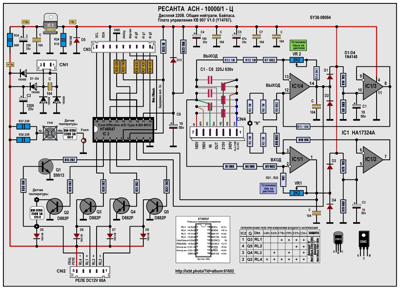
Главная » Участники » Andrey_23rus » 6. 4 реле. Ресанта АСН-10000/1-Ц,СД. [Y14767] KB907. SY38-08894. 228-15 » 08.Ресанта АСН-10000/1-Ц. Схема с срисована платы Y14767.
Уважаемые друзья и участники проекта iXBT.photo!
К сожалению, 1 марта 2026 года проект iXBT.photo прекратит свою работу и будет закрыт.
Мы высоко ценим ваше участие и тот вклад, который вы внесли в развитие нашего сообщества.
Пожалуйста, не забудьте сохранить ваши фотографии до этой даты.

С уважением, команда iXBT.com
08.Ресанта АСН-10000/1-Ц. Схема с срисована платы Y14767.

08.Ресанта АСН-10000/1-Ц. Схема с срисована платы Y14767.
Материал представлен только для ознакомительных целей без права на их коммерческое использование. Изображения могут быть защищены авторским правом! Графический редактор схем sPlan7.0. SPL / JPG.
оригинальное фото
  • Просмотров: 3148
  • Рейтинг: голосов еще нет
  • Отзывов: 0

  • Получить код для блога
  • Послать ссылку другу

Комментарии к фотографии
К этой фотографии пока нет комментариев.

Участник: Andrey_23rus
Альбомы участника
Тематики галереи

О проектеОбсуждение фотогалереиОбсуждение цифровой фотографии
Политика использования cookieПолитика защиты и обработки персональных данных
Copyright © iXBT.com, 2006-2025 • Разработка: MN