|
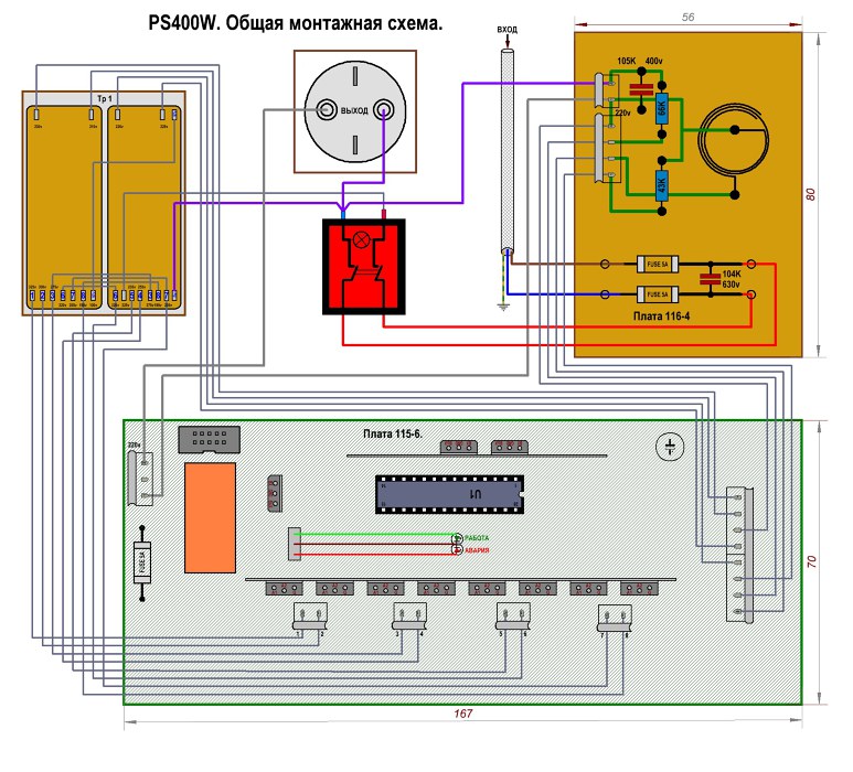
| » Участники » Andrey_23rus » 118. 8-ми канальный Lider PS400W. [115-6] 375-22 » 08.PS400W. Полная монтажная схема стабилизатора. Использовать только в познавательных целях. |
Уважаемые друзья и участники проекта iXBT.photo! К сожалению, 1 марта 2026 года проект iXBT.photo прекратит свою работу и будет закрыт. Мы высоко ценим ваше участие и тот вклад, который вы внесли в развитие нашего сообщества. Пожалуйста, не забудьте сохранить ваши фотографии до этой даты.
С уважением, команда iXBT.com
| 08.PS400W. Полная монтажная схема стабилизатора. Использовать только в познавательных целях. |
 |
 | |
|
08.PS400W. Полная монтажная схема стабилизатора. Использовать только в познавательных целях.
Коммерческое использование схемы без разрешения автора ЗАПРЕЩЕНО! Изображения могут быть защищены авторским правом! Чертёж SPL / JPG.
|
|
- Просмотров: 417
- Рейтинг: голосов еще нет
- Отзывов: 0
|
-
Получить код для блога
| Вставка фотографии в текущем разрешении |
Вставка миниатюры |
HTML (для вставки в блог):
BBCode (для вставки в форум):
Ссылка на фото:
|
HTML (для вставки в блог):
BBCode (для вставки в форум):
Ссылка на миниатюру:
|
- Послать ссылку другу
|
| Комментарии к фотографии |
 |
 | |
|
|
|
|
|