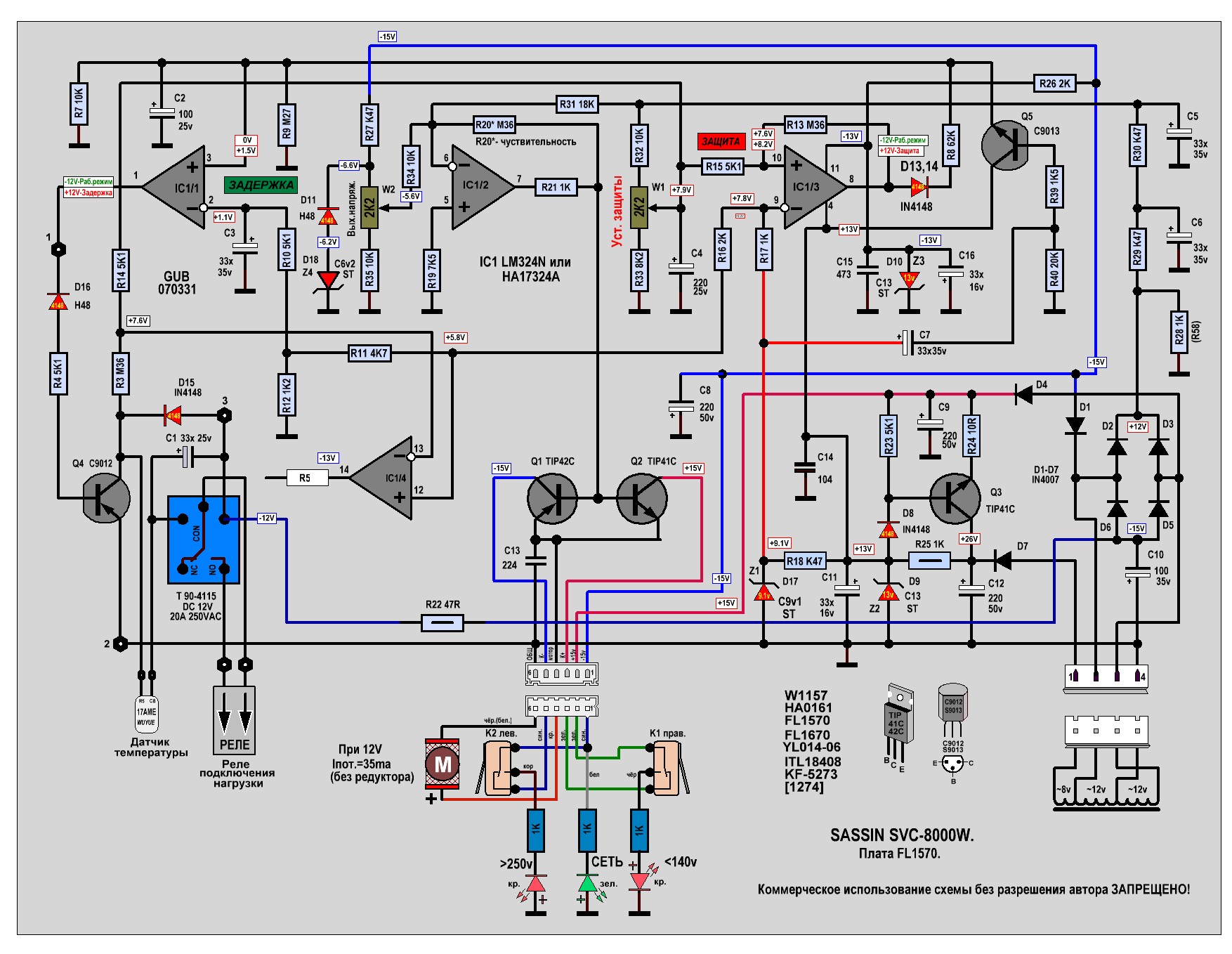
Главная » Участники » Andrey_23rus » 106. ЭМ-1. Ресанта SVC-8000W [FL1570]. 357-21 » 8. SASSIN SVC-8000W. Схема платы.
Уважаемые друзья и участники проекта iXBT.photo!
К сожалению, 1 марта 2026 года проект iXBT.photo прекратит свою работу и будет закрыт.
Мы высоко ценим ваше участие и тот вклад, который вы внесли в развитие нашего сообщества.
Пожалуйста, не забудьте сохранить ваши фотографии до этой даты.

С уважением, команда iXBT.com
8. SASSIN SVC-8000W. Схема платы.

8. SASSIN SVC-8000W. Схема платы.
.JPG
оригинальное фото
  • Просмотров: 310
  • Рейтинг: голосов еще нет
  • Отзывов: 0

  • Получить код для блога
  • Послать ссылку другу

Комментарии к фотографии
К этой фотографии пока нет комментариев.

Участник: Andrey_23rus
Альбомы участника
Тематики галереи

О проектеОбсуждение фотогалереиОбсуждение цифровой фотографии
Политика использования cookieПолитика защиты и обработки персональных данных
Copyright © iXBT.com, 2006-2025 • Разработка: MN